深度解读 | 新疆“九大产业集群”之煤炭煤电煤化工产业集群

时间:2024-10-10     

图片


图片

图片

引言

新疆是煤炭资源大区,预测储量2.19万亿吨,约占全国预测煤炭资源量的40%,煤种齐全,煤质优良,开采条件好,是国家重要的煤炭开发与储备利用基地。近几年来在中央的大力支持下,自治区党委认真贯彻落实科学发展观,着力推进以石油、天然气、煤炭为主的优势资源转换战略,积极推进新疆煤炭工业的又好又快发展取得重大进展。


图片


什么是煤及煤化工产业?

煤及化工产业是指利用煤炭等化石燃料进行化学加工、生产的产业。其核心产业是煤炭采掘、洗选、加工及煤化工等领域。


煤及化工产业涉及的领域

🔷 煤炭采掘:将煤炭从煤矿中采出的过程,包括井下采掘和露天采掘等方式;

🔷 煤炭洗选:将采出的煤炭进行清洗、选矿,以提高煤质指标和降低对环境的污染;

🔷 煤炭加工:将清洗后的煤炭进行加工,生产出各种煤制品,如煤焦油、煤气、焦炭、煤沥青等;

🔷 煤化工:将煤炭等化石燃料转化为有机化学品及下游产品,包括液化石油气、合成氨、合成甲醇、聚丙烯、合成橡胶等。


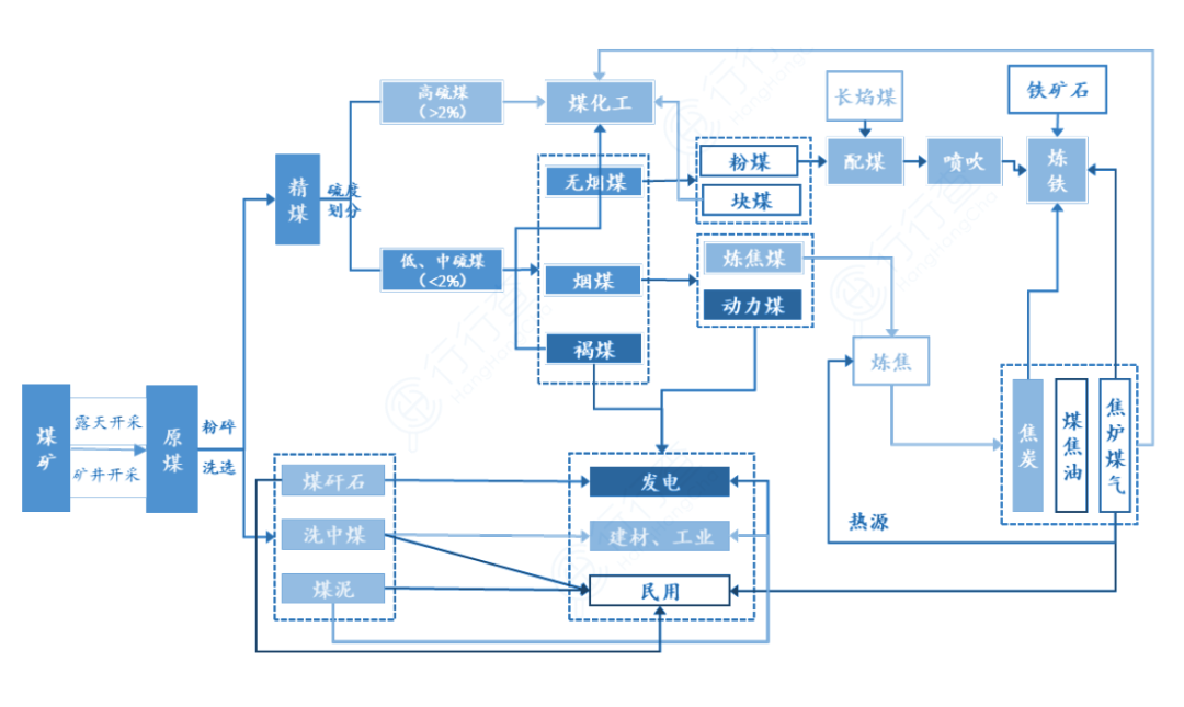
煤及化工产业的产业链

煤及煤化工产业的产业链主要包括三个环节:上游的煤炭开采、中游的煤炭加工、下游的煤化工生产。其中,煤炭开采和加工环节一般由煤炭企业完成;煤化工生产则由石化企业等完成。不同环节的公司之间存在着密切的合作关系,形成了一个比较完整的产业链。

图片
图片
图片


图片



国内发展情况


煤炭


煤炭在中国能源结构中占举足轻重的地位。我国能源结构特点“富煤、贫油、少气”,资源禀赋决定了我国是全球主要的煤炭输出国,而石油、天然气以及整个石化产业链中的化工品则需要大量进口,解决石油、天然气的过度依赖进口问题对我国能源安全意义重大。   


中国煤炭工业协会日前发布了《2023煤炭行业发展年度报告》(下称,《报告》)。煤炭供应方面,《报告》表示,2023年,我国原煤产量47.1亿吨,同比增长3.4%创历史新高;煤炭进口量4.74亿吨,同比增长61.8%;出口煤炭447万吨,同比增长11.7%;煤炭净进口4.7亿吨,同比增长62.5%。“十四五”以来,全国新增煤炭产能6亿吨/年左右,2020至2023年期间年均原煤产量增长4.5%


图片


◼ 煤炭转运能力提高

2023年,全国铁路累计发运煤炭27.5亿吨以上,同比增长2.6%;其中,电煤发运量22.8亿吨,同比增长4.5%。全国主要港口内贸煤发运量约8.4亿吨,同比下降1.1%。


◼ 煤炭库存方面

截至2023年12月末,全国煤炭企业存煤6700万吨,同比下降1.5%;全国主要港口存煤6312万吨,同比增长14.1%,其中,环渤海主要港口存煤2581万吨,同比增长8.2%;全国统调电厂存煤超过2亿吨,同比增加约3000万吨、增长17.5%,保持在历史高位。


煤炭生产布局方面

《报告》表示,煤炭东中西区域协同发展格局加快形成。2023年原煤产量超亿吨的省份共有7个,其中,山西、陕西、内蒙古、新疆四省份原煤产量占全国的81.3%,比2020年增加7.78亿吨,提高3个百分点。

图片


煤炭行业资源综合利用水平和效率不断提升,煤炭清洁高效利用有序推进。2023年,煤制油、煤制气、煤(甲醇)制烯烃、煤制乙二醇产能分别达到931万吨/年74.55亿立方米/年1872万吨/年1143万吨/年,产量分别为724万吨/年63.35亿立方米/年1725万吨/年547万吨/年


图片


煤电


今年的政府工作报告提出,发挥煤炭、煤电兜底作用,确保经济社会发展用能需求。煤电作为我国电力的基础性、保障性电源,在保障国家能源安全和推动新能源发展过程中肩负着历史使命。


中国的煤电装机容量由2018年的10.1亿千瓦增长到2022年的11.2亿千瓦,仅净增了1.1亿千瓦;可再生能源发电装机容量由2018年的7.28亿千瓦迅速增长到了2022年的12.13亿千瓦,占发电总装机容量的比重提升至47.3%。2022年,中国可再生能源发电装机总量历史性地超过了煤电装机总量。截至2022年底,中国煤电装机发电量的占比高达58.4%。目前,燃煤发电仍然是中国电力的主要来源。


在全球能源电力新形势与国内政策推动下,新一轮煤电建设窗口期打开,核准与投资快速增长。自2021年四季度出现严重的缺煤缺电状况以来,火电投资额逆转持续多年的下跌趋势,迎来上升拐点,累计同比持续攀升。2021年,火电年投资额达672亿元,同比增速达18.31%;2022年火电年投资额达909亿元,同比增速达35.27%;2023年火电工程投资额1029亿元,同比增长15%。


图片


国家能源局2024年一季度新闻发布会表示,今年将研究出台《电力辅助服务市场基本规则》,推动辅助服务费用由主要在发电侧分担,逐步向用户侧合理疏导。煤电作为我国电力系统主要依赖的可调节电源,受益于各地辅助服务市场政策的出台落地,其调节性辅助服务部分收入有望实现增长。备用价值方面(容量电价),2023年国家发展改革委、国家能源局联合发布《关于建立煤电容量电价机制的通知》,从政策层面落实完善煤电“中长期实现功能定位转型,短期兼顾补偿机组效益”的目标。煤电容量电价机制以电价补偿的形式认可煤电的顶峰备用价值,并实现机组部分固定投资成本的回收。


从长期趋势来看,煤电容量部分收入将与新型电力系统发展趋势和煤电功能定位转型趋势相匹配,实现逐步抬升。大部分地区的煤电容量电价将从2024至2025年回收固定成本30%左右的水平提升至2026年的不低于50%。


图片


煤化工产业


随着全球环保意识的不断增强,我国新型煤化工产业也在积极探索绿色、低碳、环保的发展路径。例如,在生产过程中,采用先进的清洁生产技术和设备,减少废弃物和污染物的排放,实现可持续发展。


我国政府对新型煤化工产业的发展给予了大力支持,通过政策引导、财政补贴等方式,鼓励企业加大对新型煤化工产业的投资力度。同时,我国还加强了与国际先进企业的合作和技术交流,引进先进技术和管理经验,推动我国新型煤化工产业的国际化发展。


◼ 《煤炭工业“十四五”现代煤化工发展指导意见》数据显示

到“十四五”末,建成煤制气产能150亿立方米,煤制油产能1200万吨,煤制烯烃产能1500万吨,煤制乙二醇产能800万吨,完成百万吨级煤制芳烃、煤制乙醇、百万吨级煤焦油深加工、千万吨级低阶煤分质分级利用示范,建成3000万吨长焰煤热解分质分级清洁利用产能规模。转化煤量达到1.6亿吨标煤左右。在政策有序指导、行业集中度进一步提升和下游需求不断增长的背景下,我国煤化工行业未来发展前景良好。


图片
图片


图片



新疆发展情况


近些年,在立足资源优势、加大外送煤炭的同时,新疆以“煤”为基,积极探索勾勒煤化工发展新版图,初步构建了以准东、吐哈、伊犁等为主的煤化工产业发展集聚区和以煤制天然气、煤制烯烃、煤炭分级分质利用等为主的现代煤化工产业发展格局。随着新疆加快构建“九大产业”为支撑的现代化产业体系,以煤炭清洁高效利用为核心的煤化工产业驶入了发展“快车道”。


图片


煤炭


新疆煤炭资源丰富,是我国煤炭生产力西移的重要承接区和战略性储备区,“十四五”时期,新疆全面将加快推进国家给予新疆“十四五”新增产能1.6亿吨/年煤矿项目建设,充分释放煤炭先进优质产能。根据新疆发改委最新发布的公告显示,截至2023年12月底,全区共有生产煤矿74处、合计产能4.2亿吨


图片


图片


目前,新疆已经形成吐哈、准东、伊犁、库拜四大煤炭基地,这四大基地占新疆煤炭预测总储量的64%。其中,新疆外运煤炭主要集中在吐哈基地(哈密地区),大部分供应甘肃省河西走廊一带。


◼ 吐哈基地

以疆煤外运和疆电外送为主,包括大南湖、淖毛湖、黑山、克布尔碱、三道岭、巴里坤、沙尔湖、三塘湖、艾丁湖等9个矿区。


◼ 准东基地

主要以开发煤电、煤化工等示范性项目为主, 合理优化布局大型工业园区,同时参与疆煤外运和疆电外送项目,主要包括五彩湾、大井、西黑山、硫磺沟、 昌吉白杨河、塔城白杨河、和什托洛盖、阜康、艾维尔沟、四棵树、沙湾、玛纳斯塔西河、将军庙、老君庙、喀木斯特等17个矿区。


◼ 伊犁基地

主要以开发煤化工示范项目、煤电为主,实施煤炭就地转化,主要包括伊宁、尼勒克、昭苏3个矿区,重点开发伊宁矿区。


◼ 库拜基地

主要包括俄霍布拉克、阿艾、拜城、塔什店、布雅、阳霞、喀拉吐孜等7 个矿区。主要以满足当地发电、城市供热、工业生产用煤和居民生活用煤为主。


2023年新疆煤炭消费仍然是以疆内自用为主。2023年新疆煤炭产量的75%用于疆内使用,煤炭占新疆能源消费结构的70%左右。从行业来看,煤炭消费主要集中在煤电和煤化工领域,约占煤炭消费量的70%。


图片


图片


煤电


新疆的煤电站主要分布在乌鲁木齐、五彩湾和哈密周边,仅五彩湾附近的煤电装机容量就将近2000MW,约占新疆煤电总装机的28.8%,将近三成。


新疆煤电主要是疆内自用和疆电外运,2023年1-12月新疆发电量4800亿千瓦时,同比增长4%。其中:火力发电量约3700亿千瓦时,占总发电量的77%左右,同比增长近4%。


图片


据北极星电力网统计,2023年,新疆域内10余个火电厂项目有重要动态更新,涉及装机规模超1600万千瓦。


2023年新疆火电厂项目动态追踪

图片


图片


煤化工


煤化工方面,煤化工是自治区的重点发展产业,新疆作为四大现代化煤化工基地之一,煤化工用煤需求也在逐年增加,以煤为基,新疆不断延长产业链条,建设煤炭煤电煤化工基地,为国家能源安全保供贡献力量。


经过几年的发展,新疆现代煤化工产业已度过起步阶段,取得突破性进展。自治区推进新型工业化暨高质量建设“八大产业集群”大会指出:打造煤制油气、煤制烯烃、煤基新材料等产业链。


◼ 在多元化方面

新疆煤化工企业已制出几十种化工产品,其中大宗煤化工产品包括烯烃、BDO(1,4-丁二醇)、甲醇、化肥、乙二醇等,为下游产业链延伸提供了无限可能。


◼ 煤基新材料方面

新疆已布局生产聚甲醛、MMA(甲基丙烯酸甲酯)等。聚甲醛被称为“超钢”,可用于生产工程塑料,如制成汽车保险杠等;MMA主要用于有机玻璃单体,如制成眼镜片、风力发电机风叶等。


◼ 低碳化方面

新疆准东经济技术开发区和伊吾县部分煤化工企业,已将煤化工与CCUS(碳捕集、利用与封存)项目耦合起来,将煤化工生产排放的二氧化碳,运往油田驱动原油开采,让二氧化碳变废为宝。当前,新建煤化工企业配套CCUS已是趋势,也是通过环评、能评的重要选项。


◼ 新疆准东经济开发区


2017年,国家发展改革委、工信部明确现代煤化工产业创新发展布局,确定新疆准东、宁夏宁东、陕西榆林、内蒙古鄂尔多斯4个国家现代煤化工产业示范区。准东经济开发区有着我国最大的整装煤田,预测储量约3900亿吨是新疆五大煤田之一国家确定的第十四个大型煤炭基地的重要组成部分

截至2024年1月,准东经济开发区已核准煤矿16处,核准产能2.08亿吨,露天煤矿智能化水平全国领先;已核准煤电装机规模2857万千瓦时,占全疆总装机规模的三分之一,为保障国家能源安全作出重要贡献。作为国家煤制油气战略基地,准东经济开发区从2013年开始谋划布局煤制气产业,规划产能300亿立方米。近年来,致力于在准东开发区发展煤制气的企业积极性空前高涨,天池能源、河南能源、其亚集团、国家能源集团、山东能源等10余家央企、国企及民营企业已与准东开发区对接开展前期工作。壮大特色优势产业,准东开发区在“十四五”期间,推动建设三个千亿产业、四个百亿产业集群。到2024年末,计划煤炭产量2亿吨以上,煤电装机规模达2500万千瓦、发电量达1300亿千瓦时,工业硅产能达42万吨、多晶硅产能达57万吨,预计完成工业增加值620亿元


◼ 哈密


哈密市是煤炭资源富集区,煤炭资源储量大、品种多、易开采,预测资源量5708亿吨,占全国预测资源量的12.5%居全疆第一位。特别是三塘湖、淖毛湖矿区的煤炭,具有“三低三高”特点(低灰、低硫、低磷、高热值、高含油率、高挥发分),富油煤资源量占比超过90%,含油率达10%以上,最高达16.3%,是世界罕见的富油煤资源,其品质远优于直接液化煤的国家标准,是煤制油气、发展煤化工的理想原料。


哈密现代煤化工产业已累计完成投资超1200亿元,产值超400亿元,带动直接就业人数达1.2万人。“十四五”期间,哈密立足能源资源优势,按照“横向分质利用、纵向梯级转化、跨领域产业融合、弹性化发展方案”的多维度发展思路,以国家煤制油气战略基地、哈密现代能源与化工产业示范区重大煤化工项目为抓手,以哈密现代能源与化工产业示范区为平台,建设集聚化、高端化、多元化、低碳化的千亿级煤化工产业集群,努力走出一条生态优先、绿色环保的煤基产业发展之路。


◼ 伊犁哈萨克自治州


犁州煤炭资源富集、水资源充足,加之“西气东输”管线的便利条件,发展煤制天然气占据“天时地利”。近年来,伊犁州牢牢把握新疆在国家全局中的战略定位,牢牢把握高质量发展这个首要任务,聚焦“八大产业集群”建设,加快释放煤炭先进优质产能,大力推进油气增储上产,提升发展规模和质效,不断提高伊犁现代能源经济对保障国家能源安全、推动经济高质量发展的支撑力和贡献力。

伊犁河谷现有3家煤化工企业,主要以煤制气、煤制油为主。其中,新疆庆华能源有限公司是全疆两个煤制气示范项目中的代表(全国建成投产仅4个项目)。据统计,2023年河谷生产煤制天然气35.23亿立方米,产量占全国的55.7%,工业总产值114.53亿元




其他发展优势


◼ 政策优势突出


近年来,国家出台了一系列支持新疆大发展的重大政策,尤其是在现代煤化工方面,国家提出支持新疆重点发展煤制烯烃、煤制天然气,支持建设煤制油示范工程。

煤炭煤电煤化工产业集群税费优惠政策节选

1、对煤层气抽采企业的增值税一般纳税人抽采销售煤层气实行增值税先征后退政策。

——《财改部国案税务总局关于加快煤层气抽采有关税收政策问题的通知》(财税(2007〕16号)

2、煤炭采掘企业购进的下列项目,其进项税额允许从销项税额中抵扣:

(1)巷道附属设备及其相关的应税货物、劳务和服务;

(2)用于除开拓巷道以外的其他巷道建设和提进,或者用于巷道回填、露天煤矿生态恢复的应税货物、劳务和服务。

——《财政部国案税务总局关于煤炭采掘企业增值税进项税额抵扣有关事项的通知》(财税(2015】117号)

3、企业以《资源综合利用企业所得税优惠目录(2021年版)》规定的资源作为主要原材料,生产国家非限制和非禁止并符合国家及行业相关标准的产品取得的收入,减按90%计入企业当年收入总额。

——《中华人民共和国企业所得税法》

——《中华人民共和国企业所得税法实施条例》

——《财政部国家税务总局关于执行资源综合利用企业所得税优惠目录有关问题的通知》(财税〔2008】47号);

——《财政部税务总局发展改革委生态环境部关于公布《环境保护、节能节水项目企业所得税优惠目录(2021年版)》以及<资源综合利用企业所得税优惠目录(2021年版))的公告》(财政部税务总局发展改革委生态环境部公告2021年第36号)

4、煤炭开采企业因安全生产需要抽采的煤成(层)气免征资源税。

——《中华人民共和国资源税法》

5、从衰竭期矿山开采的矿产品,减征百分之三十资源税。

——《中华人民共和国资源税法》

6、自2014年12月1日至2027年12月31日,对充填开采置换出来的煤炭,资源税减征50%。

——《财政部税务总局关于继续执行的资源税优惠政策的公告》(财政部税务总局公告2020年第32号)

——《财政部税务总局关于延续对充填开采置换出来的煤炭减征资源税优惠政策的公告》(财政部税务总局公告2023年第36号)

7、煤炭企业的矸石山,排土场用地,防排水沟用地,矿区办公,生活区以外的公路,铁路专用线及轻便道和输变电线路用地,炸药库库房外安全区用地,向社会开放的公园及公共绿化带用地,暂免征收士地使用税。

——《国象税务局关于对煤炭企业用地征免士地使用税问题的规定》(图税地字[1989]89号)


◼ 土地广阔、水资源总量大

新疆具备建设大型煤化工项目的供水、用地条件。新疆水资源总量832亿立方米,平均年降水总量2544亿立方米,水资源可利用总量为596亿立方米,众多的高山冰川、湖泊和河流,为项目开发创造了有利条件。新疆土地资源丰富,未利用土地居多,适合建设大型煤化工基地的厂址选择。

图片
图片